(0533)2777557
首页
公司简介
机构设置
新闻动态
通知公告
政策标准
信息公开
客户服务
首页
公司简介
机构设置
新闻动态
通知公告
政策标准
信息公开
客户服务
新闻动态
公司动态
行业动态
当前位置:
首页
新闻动态
公司动态
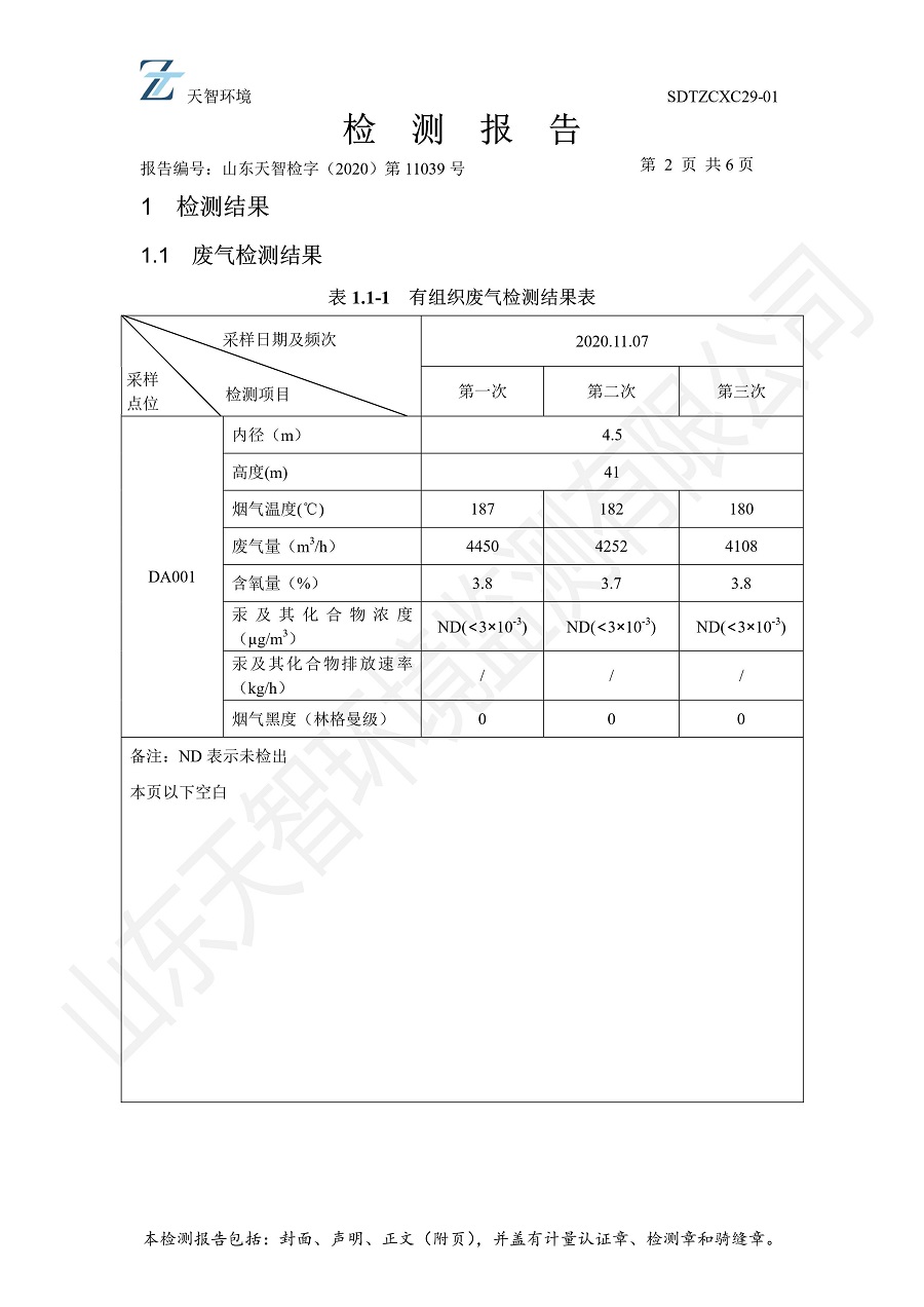
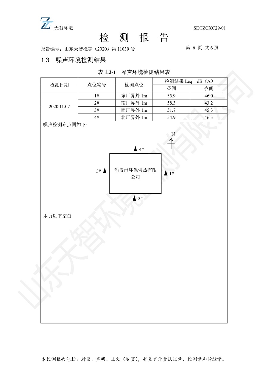
检测报告
发布时间:
2020-11-11
上一篇:
山东省排污单位自行检测方案
下一篇:
市环保供热奋战“双节”备供暖